语言
产品详情请点击资料下载→下载图纸
HY2.0带扣系列
技术参数:
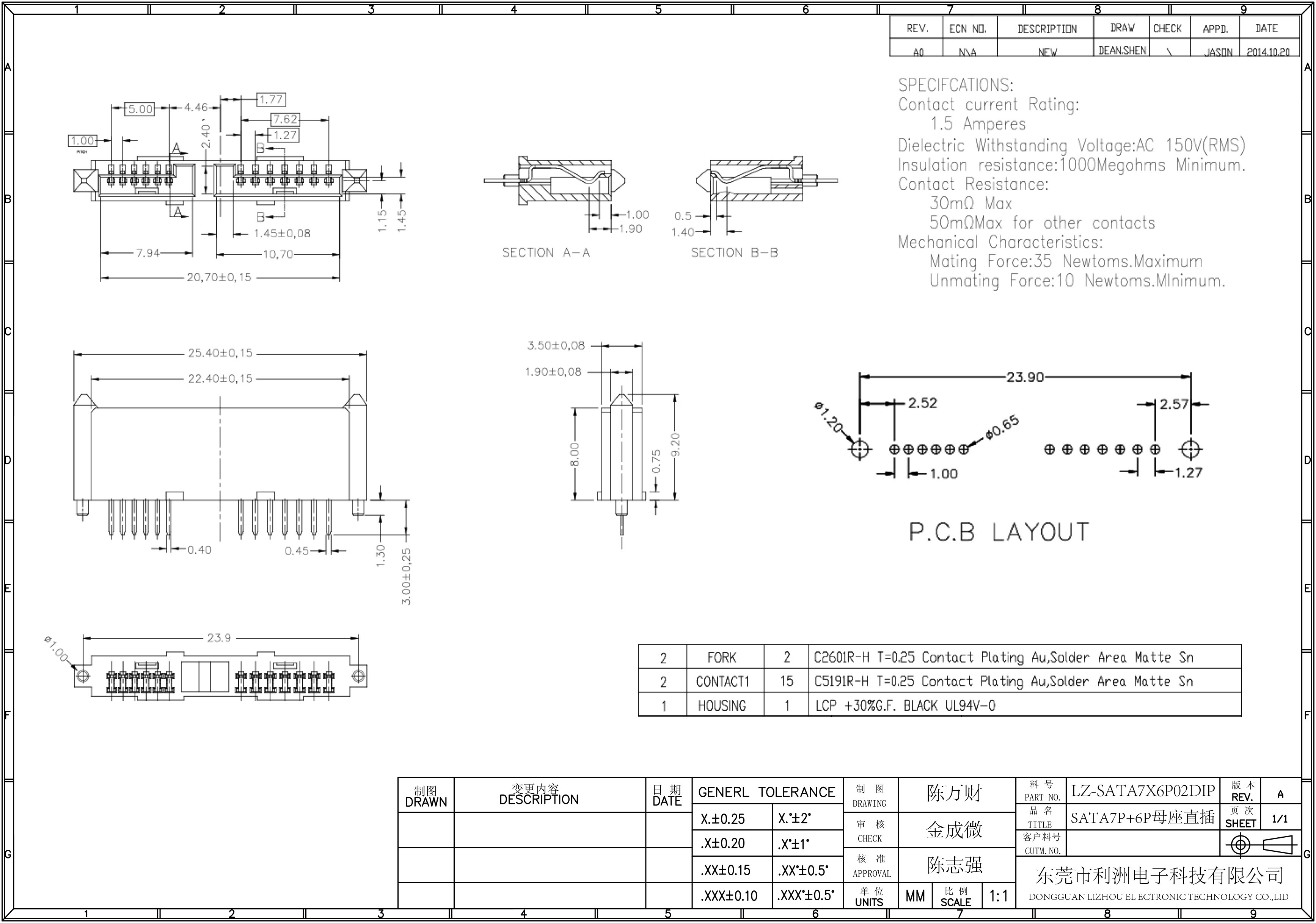
Contact Current Rating: 1.5 Amperes
Dielectric Withstanding Voltage: AC 150V(RMS)
Contact Resistance: 30mΩ Max 50mΩ Max for other contacts
Mating Force: 35 Newtoms Maximum
Unmating Force: 10 Newtoms Minimum
如果您对我们有任何意见,建议或需求,请与我们联系.
含有*的内容为必填项,其他可选项。
PH2.0mm间距系列
PA2.0mm间距系列