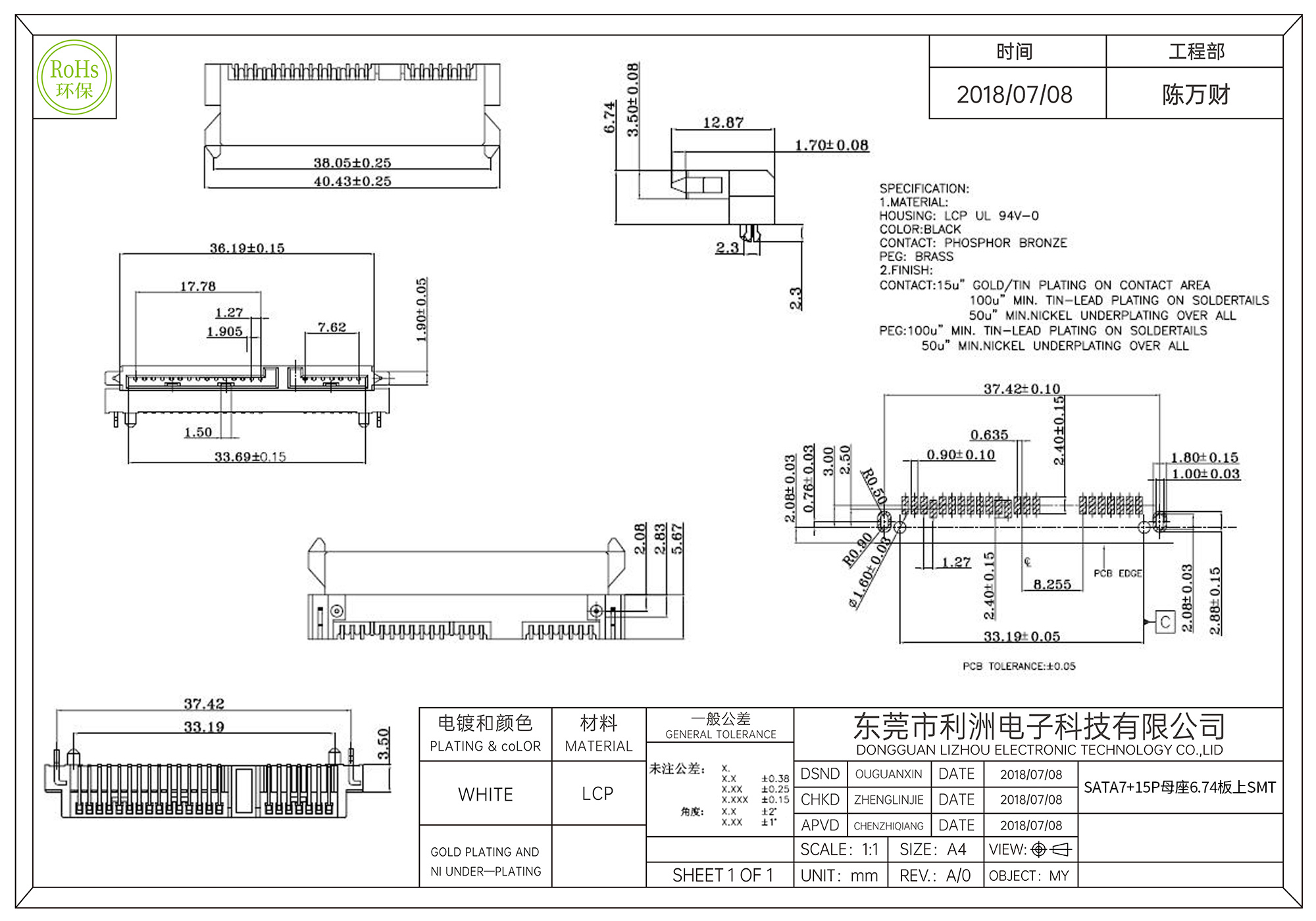
SATA7+15P母座6.74板上SMT

技术参数:

Housing: LCP UL 94 V-0

Color: Black

Contact: Phosphor Bronze

Peg: Brass

Finish Contact: 15u" gold/tin plating on contact area 100u" min tin-lead plating on soldertails 50u" min nickel underplating on soldertails 50u" min nickel underplating over all

Finish Peg: 100u" min tin-lead plating on soldertails 50u" min nickel underplating over all

给我留言

如果您对我们有任何意见,建议或需求,请与我们联系.

含有*的内容为必填项,其他可选项。

您可能感兴趣

网站地图