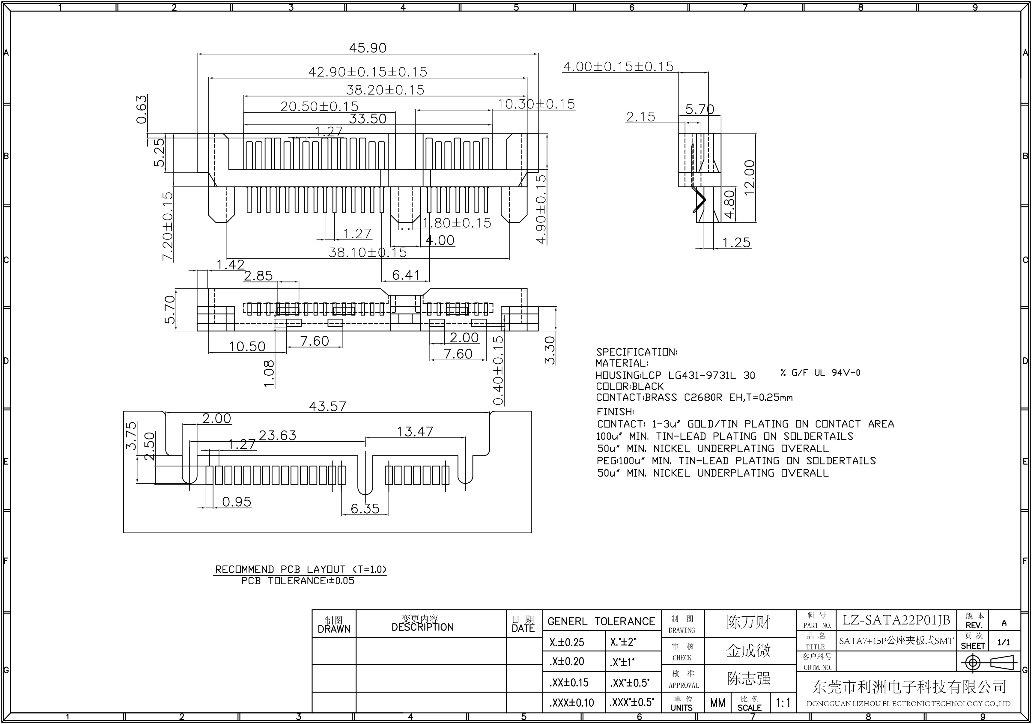
• SATA7+15P公座夹板式SMT

    技术参数:

    Housing: LCP LG431-9731L 30^ G/F 94V-0

    Color: Black

    Contact: BRASS C2680R EH,T=0.25mm

    Finish Contacts: 1-3u" gold/tin plating on contact area 100u" min tin-lead plating on soldertails 50u" min nickel underplating overall

    Finish Peg: 100u" min tin-lead plating on soldertails 50u" min nickel underplating overall

    给我留言

    如果您对我们有任何意见,建议或需求,请与我们联系.

    含有*的内容为必填项,其他可选项。

    您可能感兴趣

    BEVICTOR伟德
    网站地图