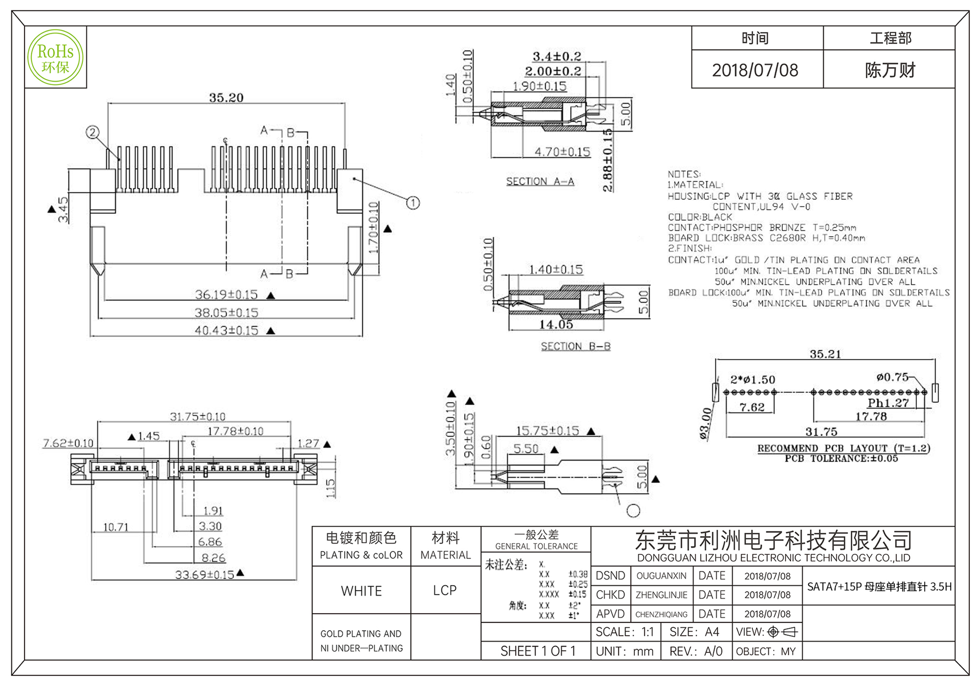
SATA7+15P母座单排直针3.5H

技术参数:

Housing: LCP WITH 30% GLASS FIBER CONTENT UL94V-0

Color: Black

Contact: PHOSPHOR BRONZE T=0.25mm

Board Lock: BRASS C2680R H.T+0.40mm

Finish Contact:  1u" gold/tin plating on contact area 100u" min tin-lead plating on soldertails 50u" min nickel underplating overall

Finish Board Lock: 100u" min tin-lead plating on soldertails 50u" min nickel underplating overall

给我留言

如果您对我们有任何意见,建议或需求,请与我们联系.

含有*的内容为必填项,其他可选项。

您可能感兴趣

BEVICTOR伟德
网站地图