语言
产品详情请点击资料下载→下载图纸
HY2.0带扣系列
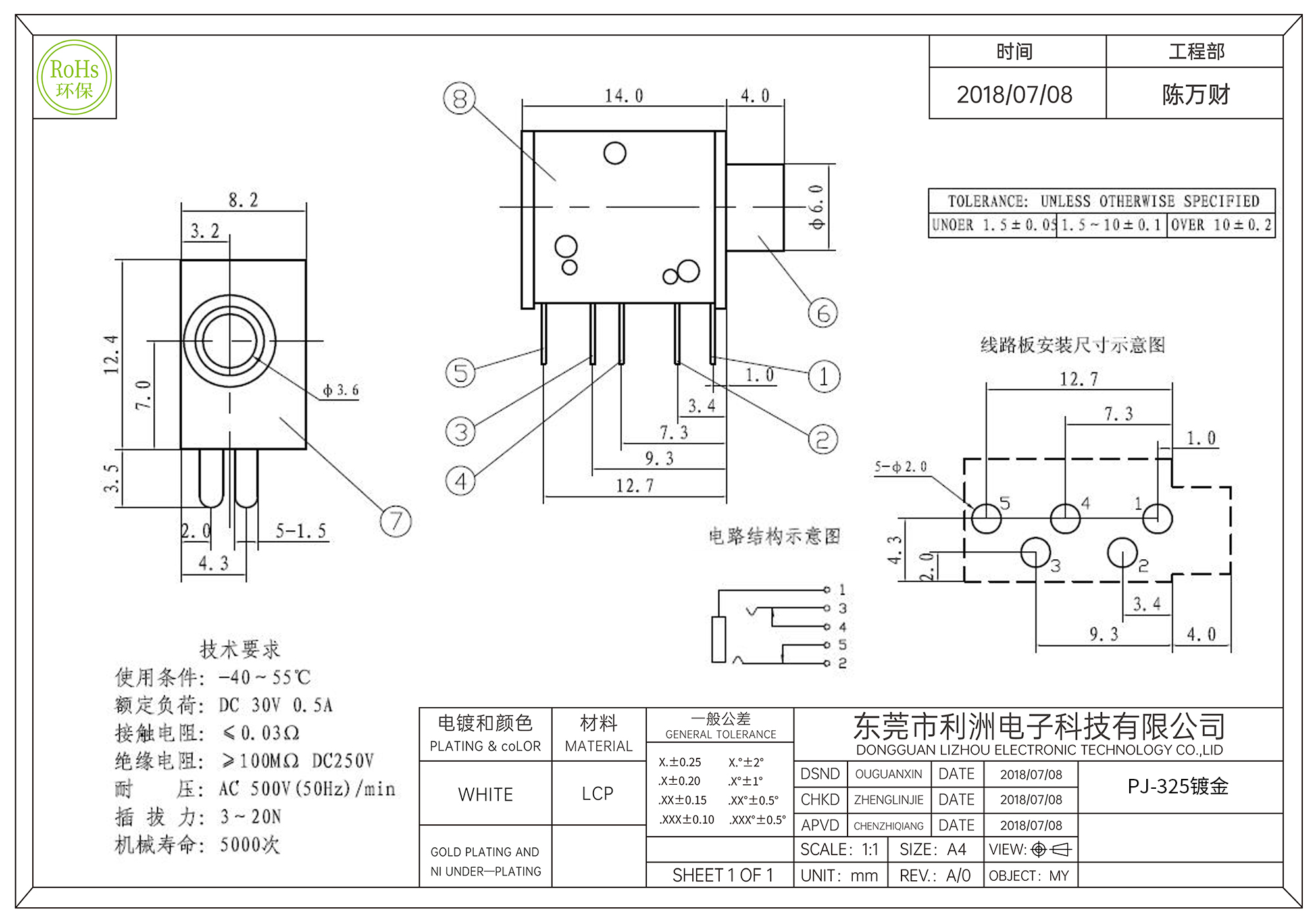
技术参数:
Temperature Range: -40°C~+55°C
rated load: DC 30V 0.5A
Contact resistance: ≤0.03mΩ
Insulation resistance: ≥100MΩ DC 250V
Withstand voltage: AC 500V(50Hz) 1min
Insertion and extraction force: 3~20N
Life Test: 5000 cycles
如果您对我们有任何意见,建议或需求,请与我们联系.
含有*的内容为必填项,其他可选项。
PH2.0mm间距系列
PA2.0mm间距系列