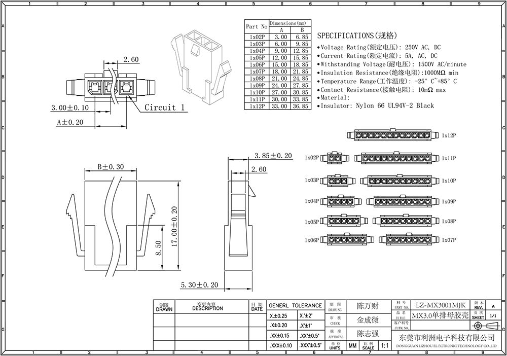
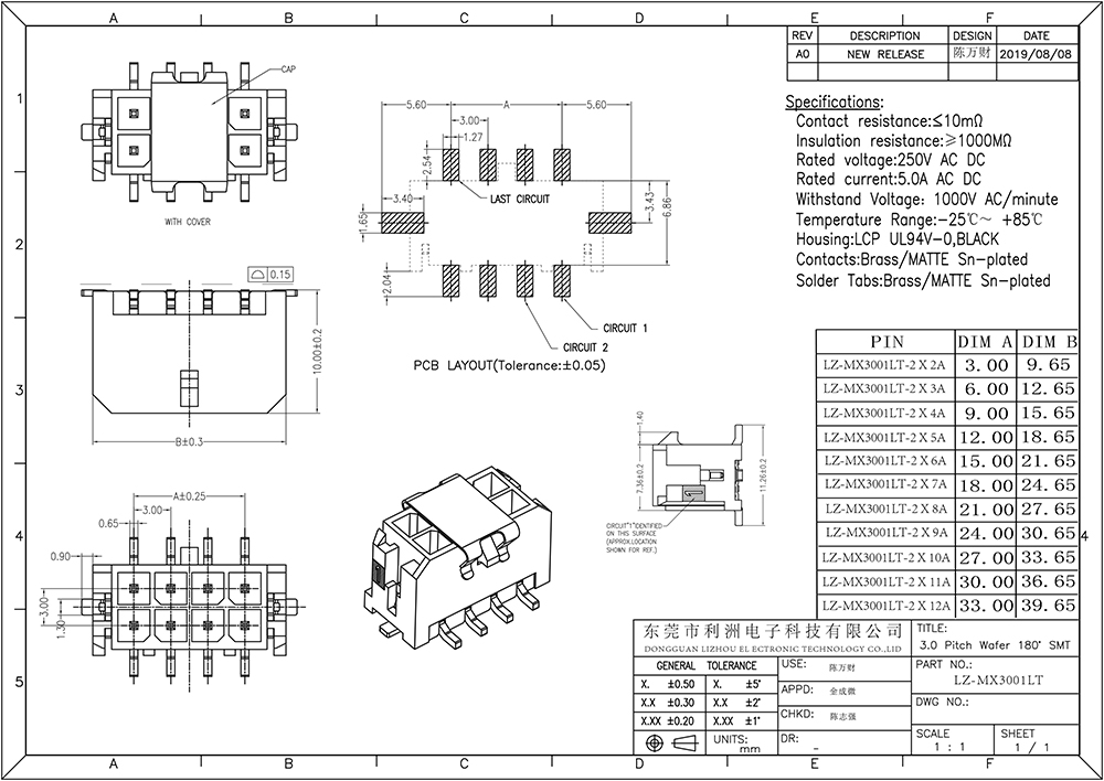
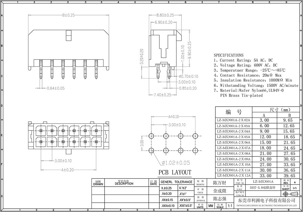
MX3.0mm间距双排弯针直针

技术参数:

Poles: 2 to12P

Contact resistance : ≤10mΩ

Insulation resistance: ≥1000MQ

Rated voltage: 250V AC DC

Rated current: 5.0A AC DC

Withstand voltage : 1000V AC/minute

给我留言

如果您对我们有任何意见,建议或需求,请与我们联系.

含有*的内容为必填项,其他可选项。

您可能感兴趣

BEVICTOR伟德
网站地图