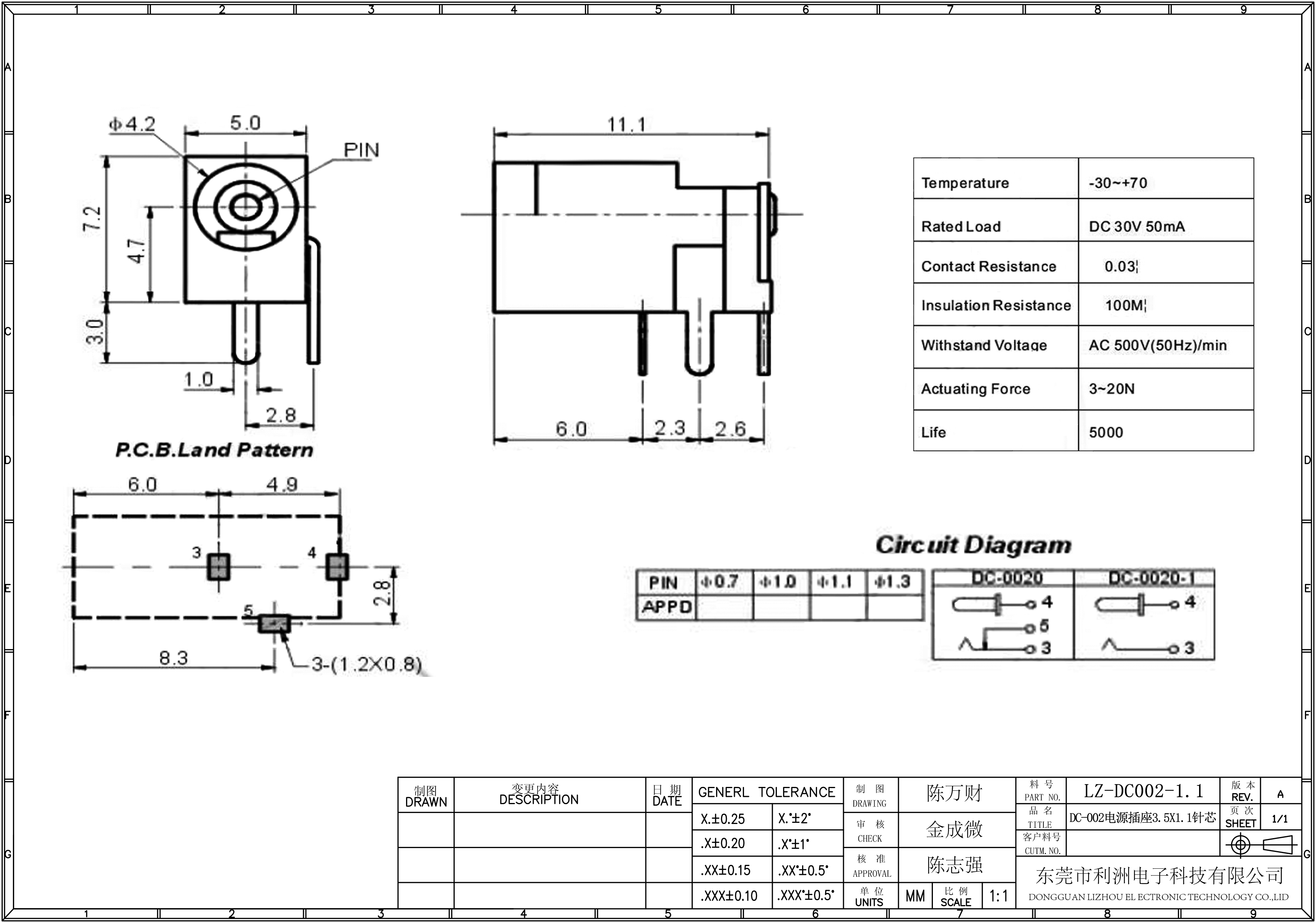
DC-002电源插座3.5 1.1针芯

技术参数:

Temperature: -30~+70

Rated Load: DC 30V 50mA

Contact Resistance: 0.03Ω

Insulation Resistance: 100MΩ

Withstand Voltage: AC 500V(50Hz)/min

Actuating Force: 3~20N

Life: 5000

给我留言

如果您对我们有任何意见,建议或需求,请与我们联系.

含有*的内容为必填项,其他可选项。

您可能感兴趣

BEVICTOR伟德
网站地图