短体10.0后脚卷边90度加高11.5大电流

技术参数:

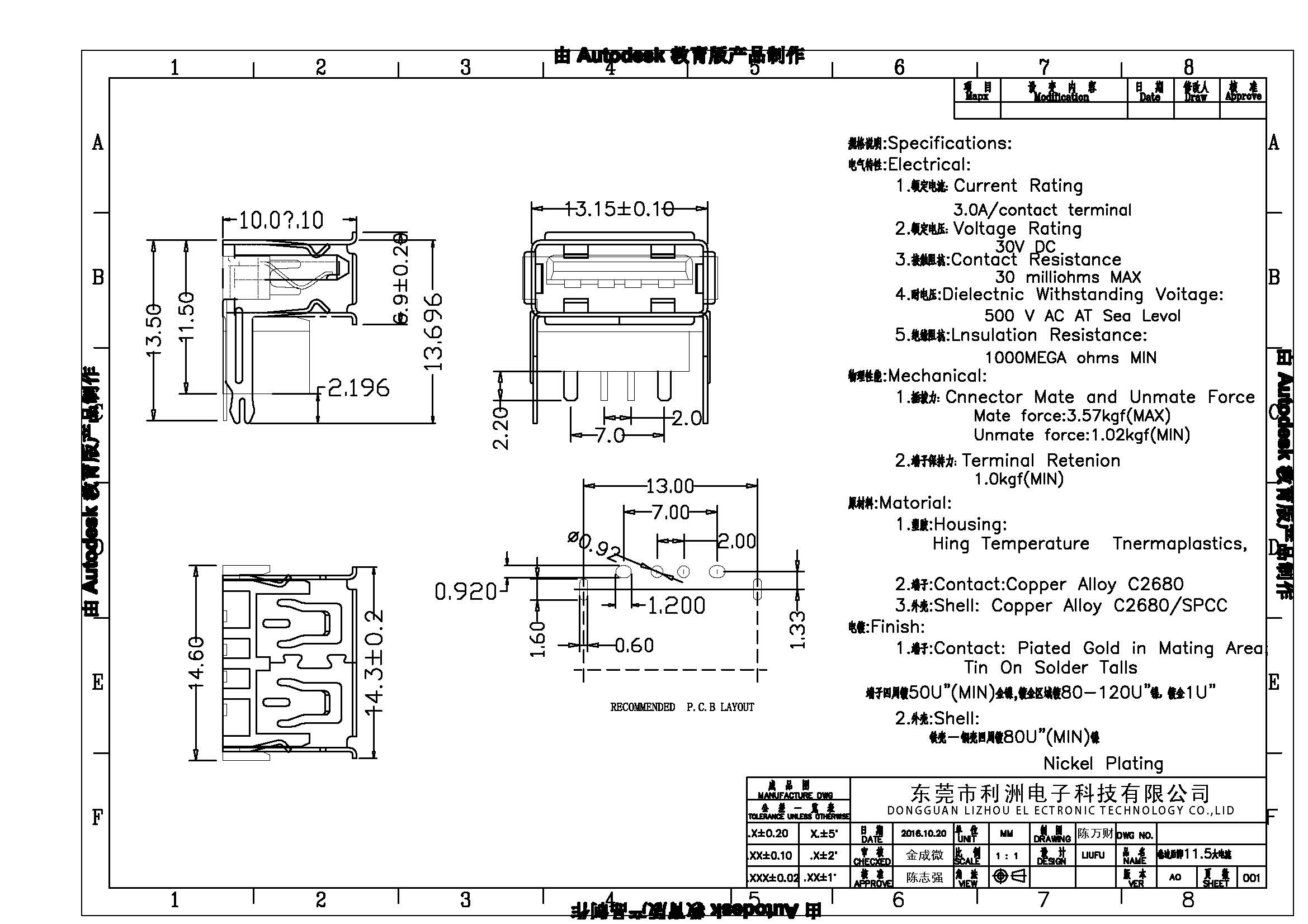
Current Rating: 3.0A/contact terminal

Voltage Rating: 30V DC.

Contact Resistance: 30 milliohms MAX

Dielectnic Withstanding Voitage: 500 V AC AT Sea Levol

Lnsulation Resistance: 1000MEGA ohms MIN

Cnnector Mate and Unmate Force: Mate force:3.57kgf(MAX) Unmate force:1.02kgf(MIN0

Housing: Hing Temperature Tnermaplastic

Contact: Piated Gold in Mating Area Tin On Solder Talls

Shell: Copper Alloy C2680/SPCC

产品详情

-

技术参数

新版详情页2.jpg

配套产品

-

相关产品

.

给我留言

如果您对我们有任何意见,建议或需求,请与我们联系.

含有*的内容为必填项,其他可选项。

您可能感兴趣

网站地图