语言
产品详情请点击资料下载→下载图纸
HY2.0带扣系列
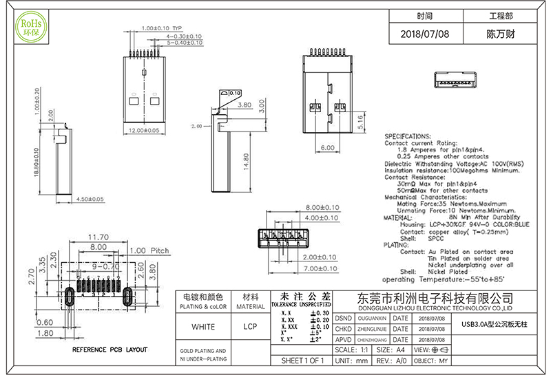
技术参数:
Rated current: 1.8 Amperes for pin1&pin4 0.25 Amperes other contacts
Withstand voltage: AC 100V(RMS)
Insulation resistance: 100 Megahms Minimum
Contact resistance: 30mΩ max for Pin1&pin4 50mΩ max for other contactar
Mating Force: 35 Newtoms Maximum
Temperature Range: -55°C~+85°C
如果您对我们有任何意见,建议或需求,请与我们联系.
含有*的内容为必填项,其他可选项。
PH2.0mm间距系列
PA2.0mm间距系列