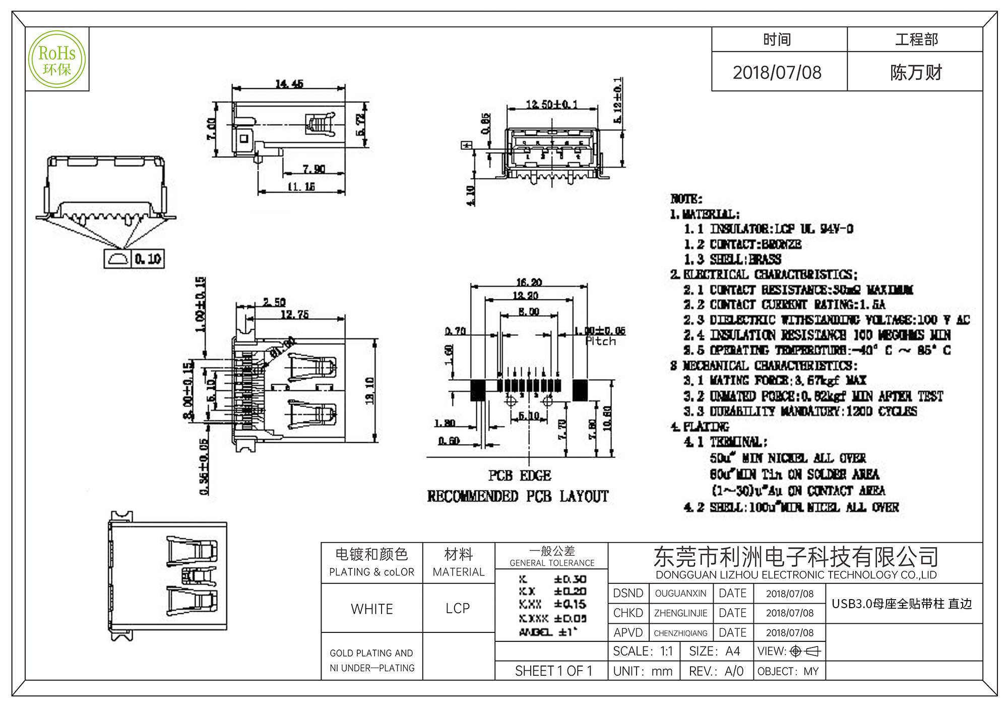
技术参数:
Insulator: LCP 94V-0
Contact: Bronze
Shell: Brass
Contact resistance: 30mΩ maximun
Contact Current rating: 1.5A
Dielectric withstanc voltace: 100 V AC R.M.S
Insulation resistance : 100 megohms min
Operating temperotlre: -40℃~85℃
Mating force: 3.57kgf MAX
Unmated force: 0.82kgf MIN after test
Durability mandatory: 1200 cycles
