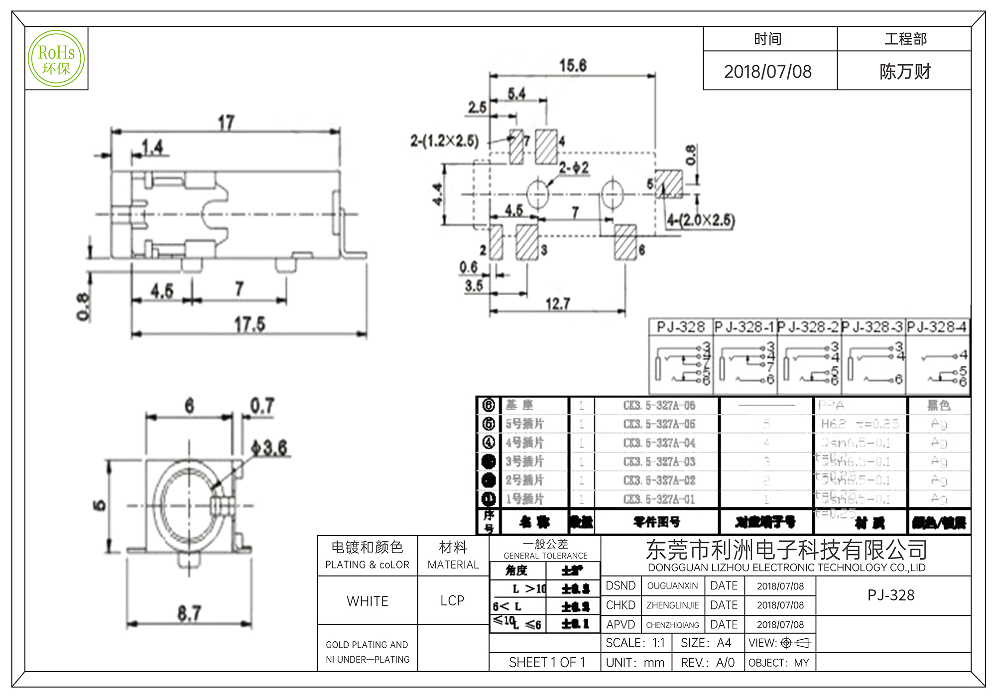
PJ-328耳机插座3.8mm三脚插件

技术参数:

Rating:  DC 30V 0.5A

Contact resistance: ≤30mΩ

Insulation resistance: ≥100mΩ (DC 250V)

Withstand voltage:  500V AC

Insertion and extraction force: 3-25N

Life Test:  5000 cycles

给我留言

如果您对我们有任何意见,建议或需求,请与我们联系.

含有*的内容为必填项,其他可选项。

您可能感兴趣

BEVICTOR伟德
网站地图